几种振动筛设计方案及选择对比
发布日期:2015-04-23 作者:隆中
洛阳开云kaiyun官方网站今天给大家分享下脱水振动筛的设计方案。
方案一:
振动筛齿轮强迫传动振动器的主要的优点:能保证两偏心轴的振动相位角一致.物料能按特定的抛掷角运动进行筛分.组装精度要求一般.这种筛子的较大不足:噪音大,轴容易发热,漏油也较严重,齿轮使用寿命短等.

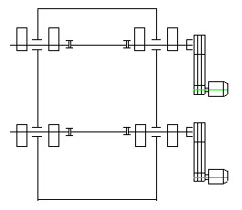
方案二:
双不平衡激振器由两台电机拖动,主要取消了一对齿轮,代之以两台振动筛电动机直接带动轴转动.采用这种传动方式的振动器,其优点是可以简化了激振器的结构,使振动筛的润滑,维护和检修大为简化;筛子噪音,消除漏油和降低费用等.

方案三:
采用这种传动方式的振动器,其优点可以降低振动筛筛子噪音,消除漏油,减少备件消耗和降低费用等.但振动器两轴同心度,及其装备精度要求较gao.通过三角带传动的振动器,如两电机胶带轮的三角胶带松紧不一致时,均会引起由于两轴摩擦传动阻力的差异而导致两偏心相位角的不一致,从而造成物料在筛面上不规则运动,影响振动筛筛分效率.

综合方案一,二和方案三的优,缺点。末尾,确定方案二是较优方案。
相关文章推荐:振动脱水筛在重晶石脱水中的应用和重要性
相关推荐
- 2015-07-14 隆中圆振动筛为什么受广大客户的喜爱
- 2021-07-09 液压圆振动筛工作原理及性能特点介绍
- 2016-08-08 河南哪家圆振动筛质量好?
- 2021-04-10 圆振筛振幅是多大
- 2020-07-17 圆振动筛排杂较慢如何解决
- 2015-04-22 振动筛筛分过程出现混料现象怎么办
- 2016-02-10 重型矿用振动筛在运输过程中应注意事项
- 2014-12-23 脱水直线振动筛 您知道如何选购吗
- 2019-06-27 振动筛安装网架有这么多好处?快来了解一下吧!
- 2015-08-18 购买圆振动筛,到开云kaiyun官方网站



